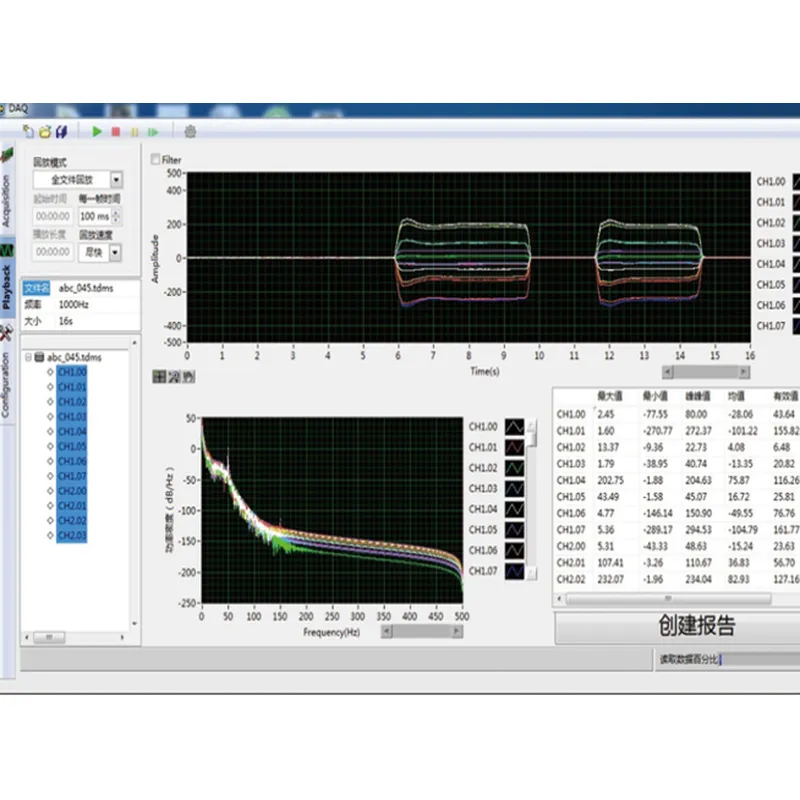
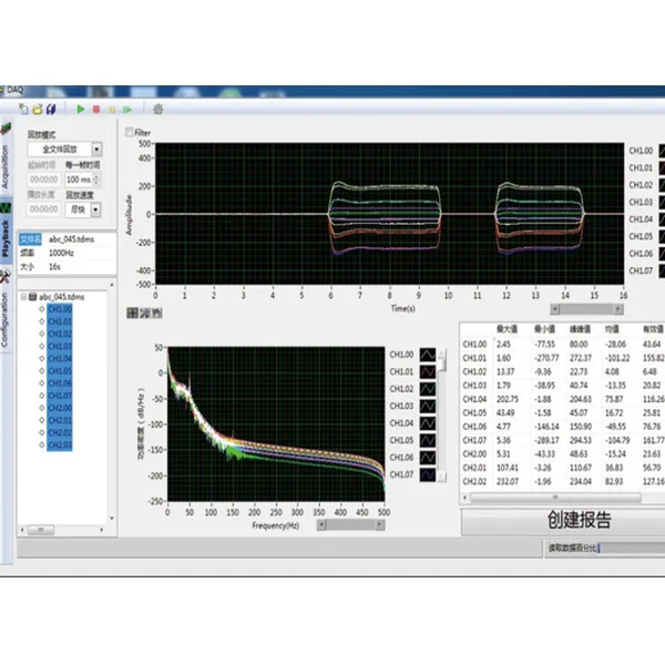
The PCB Strain Measurement Device SDL Series is an innovative tool used to measure strain and stress on printed circuit boards (PCBs). It utilizes strain gauges and Wheatstone bridge circuits printed directly onto the PCB to provide precise quantitative data about the board's mechanical forces.This compact device enables engineers to easily test physical stresses like bending, torsion, and tension that may occur during PCB assembly, transportation, or operation. The strain gauges transform mechanical deformation into change of resistance, allowing stresses to be monitored in real-time.Key benefits of the PCB Strain Measurement Device include:
Directly integrated onto PCB for accurate localized measurements
Small footprint suitable for tight spaces
Cost-effective compared to off-board strain gauge setups
Simple interfacing for data acquisition and analysis
Wide measuring range capable of capturing extreme stress eventsThe PCB Strain Measurement Device delivers an efficient new method to understand and optimize the structural design of PCBs undergoing physical forces. It brings quantitative precision to an area that previously relied on estimated safety margins and over-design.
More pictures please click SMT THT Albums
Looking for 3D machine model please click SMT Machine 3D Drawing
Looking for SMT machine Catalog please click SMT Machine Catalog
Call to discuss SMT machine please click WhatsApp SMT
Email to SMT Specialist please click SMT Specialist









Contact
Welcome to contact and get more information:
Email: jack@smthelp.com
Skype:+86 15622888481
Whatsapp/WeChat: +86 15622888481